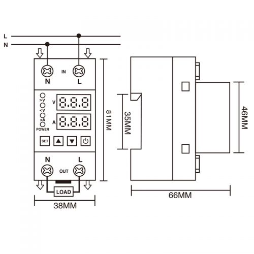
مرحل حماية الجهد والتيار VA-P1

مرحل حماية الجهد والتيار VA-P1
مرحل حماية الجهد والتيار VA-P1

تخصيص
الميزات الرئيسية
  • مؤشر متعدد الوظائف: فولت، أمبير (AC فقط، الحد الأدنى 0.5A)، القدرة الفعلية (P)، تردد (HZ)
  • الحماية من انخفاض وارتفاع الجهد
  • الحماية من زيادة التيار

البيانات الفنية
  • ارتفاع الجهد: AC/DC 270V (قابل للتعديل من 130V إلى 300V)
  • انخفاض الجهد: AC/DC 170V (قابل للتعديل من 80V إلى 210V)
  • تأخير فصل الجهد: 0.5 ثانية (قابل للتعديل من 0.1s إلى 10s)
  • هسترة الجهد: 5V قابل للتعديل (إعداد P4/P11)
  • زيادة التيار: AC 63A (قابل للتعديل من 1 إلى 63A)
  • تأخير فصل التيار: 0.5 ثانية (قابل للتعديل من 0.1s إلى 10s)
  • وظيفة إعادة الضبط التلقائي (إعداد P16):
    ★ عدد الحمايات المتتالية ضد زيادة التيار (إعداد P11)
  • عطل التيار:
    ★ تشغيل المرحل بعد إعادة الضبط اليدوي (اضغط على المفتاح ⏻)
  • التردد المقنن: 50/60 هرتز
  • درجة حرارة البيئة: -5°C ~ +55°C
شهادة
تعليمات الإعداد
  • اضغط مطولاً على مفتاح "SET" لأسفل لمدة 5 ثوانٍ للدخول في حالة الإعداد. استخدم مفاتيح UP وDOWN لتعديل الجهد العالي، الجهد المنخفض، والتيار. اضغط على مفتاح SET للحفظ.
مواصفات المنتج
إعداد المعلمات

ملاحظات
عند التشغيل بالتيار المستمر (DC)، يتم عرض الجهد فقط، والتيار غير معروض. في المعلمة P15، هناك ثلاث أوضاع للعرض: الوضع 1 (الافتراضي) يعرض المعلمات P1-P19؛ الوضع 2 (يدوي) يسمح للمستخدم بالضغط على زر ▲ أو ▼ لعرض الجهد (-U-)، الطاقة (-P-)، التيار (-A-) والتردد (-H-) يدوياً؛ الوضع 3 (تلقائي) سيعرض تلقائياً الجهد (-U-)، الطاقة (-P-)، التيار (-A-) والتردد (-H-) بالتتابع. بالنسبة للمعلمة P19 (كلمة المرور)، يتم ضبط كلمة المرور الأولية على 112. بعد تغيير معلمة القفل، قد تتم إعادة تعيين كلمة المرور. لفتح القفل، يجب استعادة المعلمة إلى كلمة المرور الأولية (112).